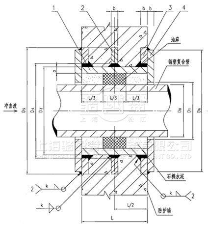
07FS02防護密閉套管-熱鍍鋅用于穿越人防區的位置。其構造與剛性防水套管相似,只是比剛性防水套管外多一個(或兩個)翼環,還有防沖擊波的擋板,擋板與翼環、管道直接焊接。如果人防密閉套管設置在兩個人防區之間,人防密閉套管兩側都必須設置翼環和防沖擊波的擋板。具體規格尺寸可參照國標圖集尺寸表,現行參照的圖集標準有:07FS02等。
07FS02防護密閉套管是按照~07FS02標準圖集制作的密閉套管,廣泛應用于地下工程、化工、鋼鐵、建筑、化工、剛鐵、自來水、污水處理等管路穿墻壁要求嚴密防水之處。04FS02柔性密閉套管_兩側防護柔性密閉套管作用 :07FS02柔性密閉套管是為了解決有些地下工程需要管路穿墻而過,而通過處又有嚴密防水要求;還有些構筑物也需要管路穿墻而過,同時又限制管路不能因溫度變化或外力產生伸縮和位移,更不允許管路在外在因素作用下產生振動而設計制作的。它的外殼一次性澆注在墻壁上,管子從套管中間通過,管子外徑與套管中間用填料密封,起到了防水和減振作用。兩側防護柔性密閉套管材質 :
1、柔性密閉套管是按照~標準04FS02制造生產,材料采用Q235-A。
2、柔性填料材料:瀝青麻絲,聚苯乙稀板,聚氯乙烯泡沫塑料板。
3、密封膏:聚硫密封膏,聚胺脂密封膏。
以上是針對07FS02防護密閉套管-熱鍍鋅作出的詳細介紹,上海駱盈生產的07FS02防護密閉套管-熱鍍鋅其構造與剛性防水套管相似,只是比剛性防水套管外多一個(或兩個)翼環,還有防沖擊波的擋板,擋板與翼環、管道直接焊接。如果人防密閉套管設置在兩個人防區之間,人防密閉套管兩側都必須設置翼環和防沖擊波的擋板。
產品名稱:07FS02防護密閉套管-熱鍍鋅
別 名:熱鍍鋅防護密閉套管,防護密閉套管,密閉套管
口徑規格:【DN50mm-DN3200mm】
產品顏色:天藍色、紅色(實物顏色見產品展示圖片)
適用范圍:【鋼管、PP管等】
產品標準:07FS02(圖集號)
認 證:9001-2001
產品等級:A級,
工作溫度:-20度至80度(還可加工整體304、316、316L不銹鋼,外部熱鍍鋅)
在線咨詢
購買熱線: 021-622-00727
熱鍍鋅將表面清潔的金屬材料或零件浸在熔融的鋅液中,利用界面發生的物理化學反應,在表面形成一層金屬鋅的過程。
熱鍍鋅(galvanizing) 也叫熱浸鋅和熱浸鍍鋅:是一種有效的金屬防腐方式,主要用于各行業的金屬結構設施上。是將除銹后的鋼件浸入500℃左右融化的鋅液中,使鋼構件表面附著鋅層,從而起到防腐的目的。冷鍍鋅也叫電鍍鋅,是利用電解設備將管件經過除油、酸洗、后放入成分為鋅鹽的溶液中,并連接電解設備的負極,在管件的對面放置鋅版,連接在電解設備的正極接通電源,利用電流從正極向負極的定向移動就會在管件上沉積一層鋅,冷鍍管件是先加工后鍍鋅。熱鍍鋅是由較古老的熱鍍方法發展而來的,自從1836年法國把熱鍍鋅應用于工業以來,已經有一百七十年的歷史了。然而,熱鍍鋅工業是近三十年來伴隨冷軋帶鋼的飛速發展而得到了大規模發展。熱鍍鋅板的生產工序主要包括:原板準備→鍍前處理→熱浸鍍→鍍后處理→成品檢驗等。按照習慣往往根據鍍前處理方法的。
07FS02防護密閉套管是按照~07FS02標準圖集制作的密閉套管,廣泛應用于地下工程、化工、鋼鐵、建筑、化工、剛鐵、自來水、污水處理等管路穿墻壁要求嚴密防水之處。04FS02柔性密閉套管_兩側防護柔性密閉套管作用 :07FS02柔性密閉套管是為了解決有些地下工程需要管路穿墻而過,而通過處又有嚴密防水要求;還有些構筑物也需要管路穿墻而過,同時又限制管路不能因溫度變化或外力產生伸縮和位移,更不允許管路在外在因素作用下產生振動而設計制作的。它的外殼一次性澆注在墻壁上,管子從套管中間通過,管子外徑與套管中間用填料密封,起到了防水和減振作用。兩側防護柔性密閉套管材質 :
1、柔性密閉套管是按照~標準04FS02制造生產,材料采用Q235-A。
2、柔性填料材料:瀝青麻絲,聚苯乙稀板,聚氯乙烯泡沫塑料板。
3、密封膏:聚硫密封膏,聚胺脂密封膏。
上海駱盈管道設備有限公司為谷城縣三灣電站項目提供了大量的密閉套管等水利樞紐方面使用的管道配件,為加快工程建設,提高工程生產效率,保護管道的長久運行都做出了巨大的貢獻。谷城縣西河三灣水電站項目建設獲上級主管部門核準,地址谷城縣趙灣鄉方家坪村。本工程為無調節引水式電站,根據初步設計對現場的勘察,水文、水能分析計算,水電站總裝機1600(2臺×800)kw,設計水頭60米,多年平均發電量799萬 kw.h,年利用小時4994h。主要建設內容為攔水壩、引水隧洞2800m(右岸)、前池(洞外式)、發電廠房、10kv升壓站和輸電線路及生活區等。該項目總投資1266.9萬元,注冊資本金1440萬元,其余建設資金由項目業主自籌或者申請銀行貸款解決。主要用于建設用地及移民、水土保持、安全、~、地震及接入系統等方面的建設.

請點擊圖片看大圖
| 編號 | 名稱 | 數量 | 材料 |
| 1 | 鋼制套管 | 1 | Q235-A |
| 2 | 翼環 | 1 | Q235-A |
| 3 | 固定法蘭 | 2 | Q235-A |
| 4 | 擋板 | 2 | Q235-A |
請點擊圖片看大圖
|
DN |
D1 |
D2 |
D3 |
D4 |
δ |
b |
k |
|
50 |
60 |
62 |
114 |
225 |
3.5 |
10 |
4 |
|
65 |
75.5 |
77.5 |
121 |
230 |
3.75 |
10 |
4 |
|
80 |
89 |
91 |
140 |
250 |
4 |
10 |
4 |
|
100 |
108 |
110 |
159 |
270 |
4.5 |
10 |
5 |
|
125 |
133 |
135 |
180 |
290 |
6 |
10 |
6 |
|
150 |
159 |
161 |
219 |
330 |
6 |
10 |
6 |
|
200 |
219 |
221 |
273 |
385 |
8 |
12 |
8 |
專業制造、專業服務,駱盈為你創造更多價值 !
不斷提升服務質量,精益求精,“真誠的服務”是駱盈永恒的主題。駱盈嚴格按照 要求,質量嚴格把關,責任到人,確保生產、銷售、服務的健康運行。加強與用戶溝通,竭誠為廣大客戶提供優質產品,至善至美服務,特此駱盈做出如下承諾:
產品標準
產品嚴格按照中國 GB、HG 標準和美國 API 等標準設計、制造、驗收。密封面硬度達到規定要求,寬度超過標準。
售前服務
產品介紹,技術交流,非標產品設計,疑難解答。
售中服務
1、守信合同,保證及時供貨,隨時保持與客戶聯系
2、對特殊或復雜的產品,我廠安排技術人員對用戶進行產品使用、故障排除、調式及維修進行培訓和指導。
售后服務
1、駱盈產品質保期為自出廠起 12 個月,實行“三包”服務(包退、包換、包修)。
2、產品在使用中我廠定期組織技術、檢查人員進行訪問,征詢用戶對產品質量、使用狀況、改進意見等方面的反饋,以便進一步提高產品質量。
3、對用戶投訴產品質量問題,快速做出反映,售后服務人員在 24-36 小時(省外 48 小時)趕赴現場。
4、對售后服務,要求用戶填寫服務后的質量反饋表,并做出鑒定意見,共同提高駱盈的產品質量與服務質量。
1、客戶采購清單請傳真至 021-64207088 E-mail:luoying@luoyingsh.com,或來電咨詢 021-62212627。
2、收到客戶采購清單,為客戶提供產品型號選型與報價(價格清單)。
3、具體商定:交貨期、特殊要求等事宜。
訂貨須知
1、客戶對產品有特殊要求,須在訂貨合同中提供以下說明:
(1)結構長度
(2)連接形式
(3)公稱直徑、全通徑、縮徑、管道尺寸
(4)用介質及溫度、壓力范圍
(5)實驗、檢驗標準及其他要求本廠可根據客戶特殊要求配置定做和設計特殊產品。
2、本廠可根據客戶特殊要求配置定做和設計特殊產品。
3、如由客戶提供確定的產品類型和型號時,客戶應正確說明其型號的含義和要求,在供需雙方理解一致的條件下簽訂合同。
您也可以聯系在線客服